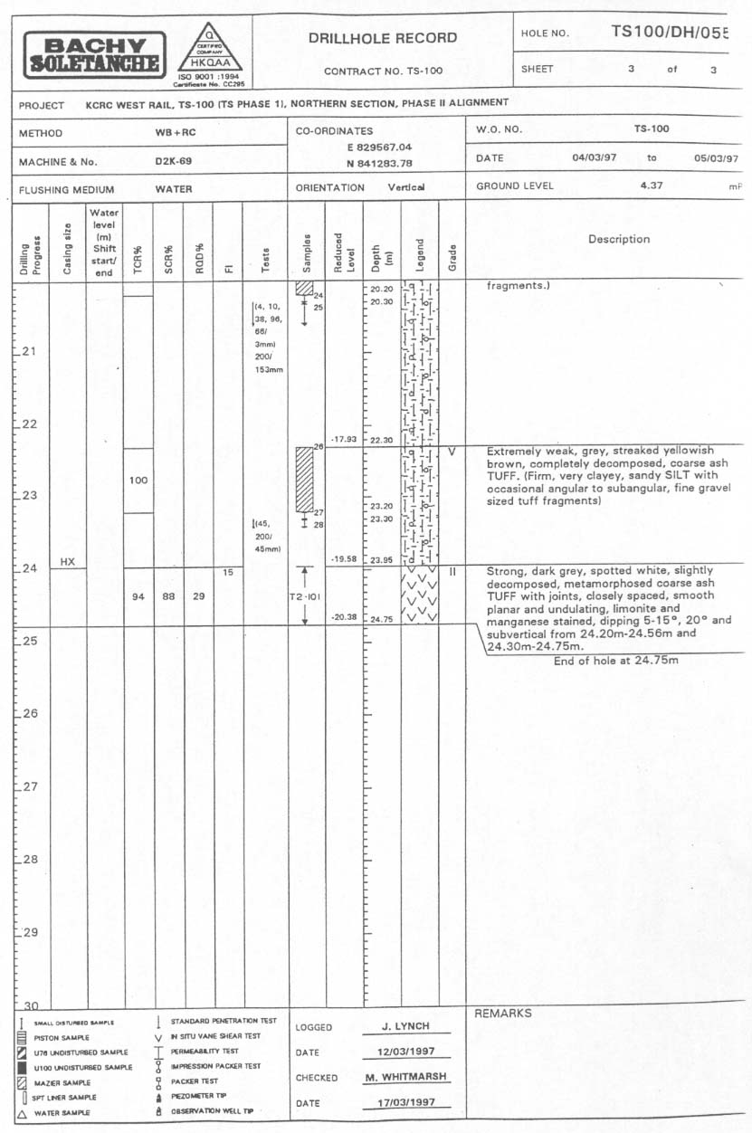
PREVIOUS NEXT